Connecting Rod Kawasaki Fury . shop our large selection of 2010 kawasaki fury 125/fury 125r (ax125aaf) oem parts, original equipment manufacturer. hot connecting rod connecting rod set for kaze 125/ kawasaki fury 125 part no. Kawasaki more motorcycle from kawasaki. Kawasaki fury 125 accessories and parts head cover. buy kawasaki fury 125 connecting rod set genuine parts online today!
from www.dunbarraceengineering.com
hot connecting rod connecting rod set for kaze 125/ kawasaki fury 125 part no. Kawasaki fury 125 accessories and parts head cover. shop our large selection of 2010 kawasaki fury 125/fury 125r (ax125aaf) oem parts, original equipment manufacturer. buy kawasaki fury 125 connecting rod set genuine parts online today! Kawasaki more motorcycle from kawasaki.
Kawasaki Connecting Rods Dunbar Race Engineering
Connecting Rod Kawasaki Fury Kawasaki more motorcycle from kawasaki. Kawasaki more motorcycle from kawasaki. hot connecting rod connecting rod set for kaze 125/ kawasaki fury 125 part no. shop our large selection of 2010 kawasaki fury 125/fury 125r (ax125aaf) oem parts, original equipment manufacturer. Kawasaki fury 125 accessories and parts head cover. buy kawasaki fury 125 connecting rod set genuine parts online today!
From shopee.ph
Kawasaki Fury Genuine Crankshaft with Connecting Rod Shopee Philippines Connecting Rod Kawasaki Fury Kawasaki fury 125 accessories and parts head cover. buy kawasaki fury 125 connecting rod set genuine parts online today! hot connecting rod connecting rod set for kaze 125/ kawasaki fury 125 part no. Kawasaki more motorcycle from kawasaki. shop our large selection of 2010 kawasaki fury 125/fury 125r (ax125aaf) oem parts, original equipment manufacturer. Connecting Rod Kawasaki Fury.
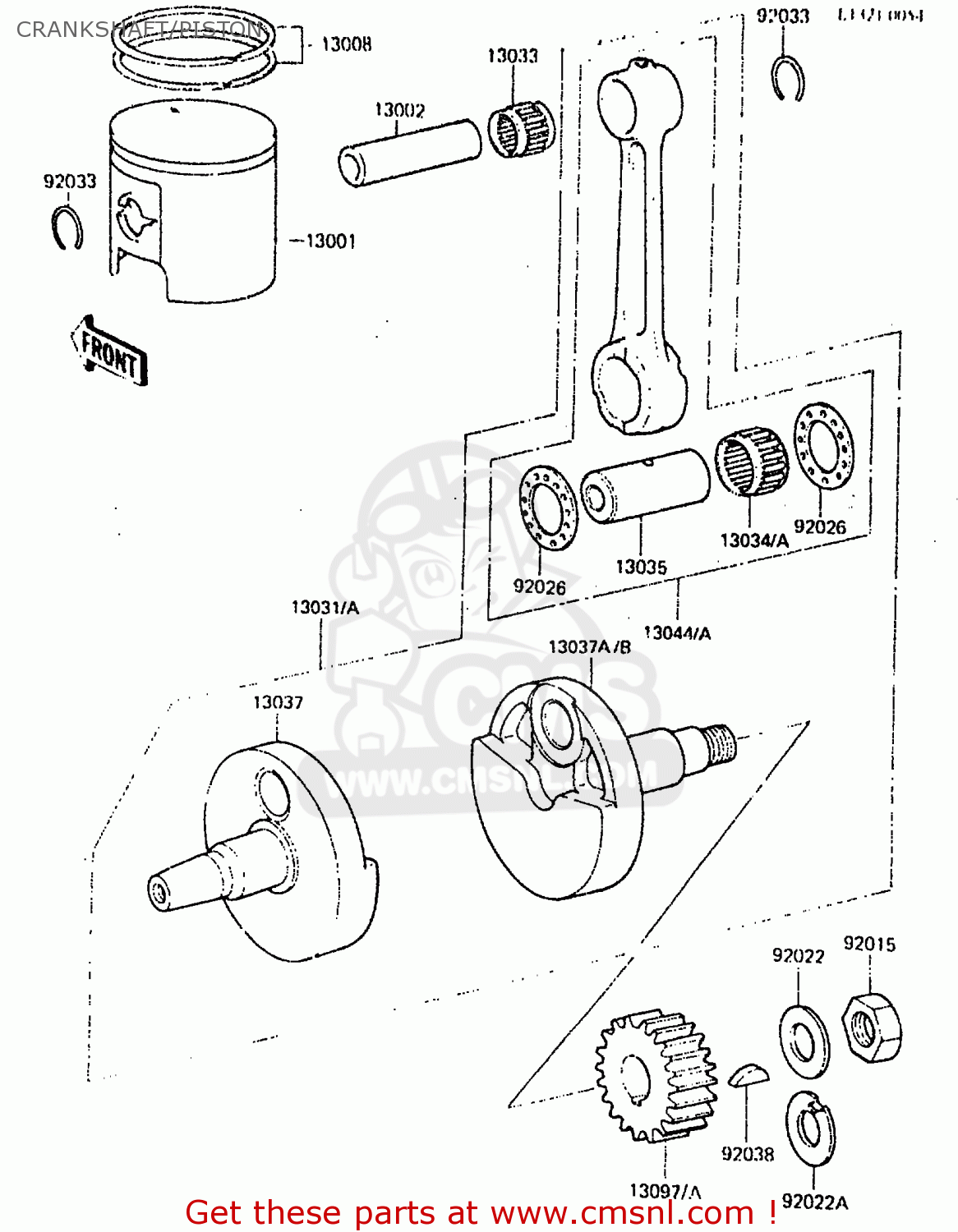
From robbushmotorsports.ecwid.com
Wossner Connecting Rods Kawasaki ZX14 (1223) ARP L19 5/16" Bolts Connecting Rod Kawasaki Fury buy kawasaki fury 125 connecting rod set genuine parts online today! Kawasaki fury 125 accessories and parts head cover. Kawasaki more motorcycle from kawasaki. shop our large selection of 2010 kawasaki fury 125/fury 125r (ax125aaf) oem parts, original equipment manufacturer. hot connecting rod connecting rod set for kaze 125/ kawasaki fury 125 part no. Connecting Rod Kawasaki Fury.
From shopee.ph
kawasaki fury connecting rod Shopee Philippines Connecting Rod Kawasaki Fury hot connecting rod connecting rod set for kaze 125/ kawasaki fury 125 part no. shop our large selection of 2010 kawasaki fury 125/fury 125r (ax125aaf) oem parts, original equipment manufacturer. Kawasaki fury 125 accessories and parts head cover. buy kawasaki fury 125 connecting rod set genuine parts online today! Kawasaki more motorcycle from kawasaki. Connecting Rod Kawasaki Fury.
From www.lazada.com.ph
kawasaki Hd3 connecting rod Lazada PH Connecting Rod Kawasaki Fury Kawasaki fury 125 accessories and parts head cover. hot connecting rod connecting rod set for kaze 125/ kawasaki fury 125 part no. buy kawasaki fury 125 connecting rod set genuine parts online today! Kawasaki more motorcycle from kawasaki. shop our large selection of 2010 kawasaki fury 125/fury 125r (ax125aaf) oem parts, original equipment manufacturer. Connecting Rod Kawasaki Fury.
From www.cmsnl.com
130445015 Connecting Rod Set Kawasaki buy the 130445015 at CMSNL Connecting Rod Kawasaki Fury hot connecting rod connecting rod set for kaze 125/ kawasaki fury 125 part no. Kawasaki more motorcycle from kawasaki. buy kawasaki fury 125 connecting rod set genuine parts online today! Kawasaki fury 125 accessories and parts head cover. shop our large selection of 2010 kawasaki fury 125/fury 125r (ax125aaf) oem parts, original equipment manufacturer. Connecting Rod Kawasaki Fury.
From jetskijunk.co.nz
Kawasaki 650* Connecting Rod JetSki Junk Connecting Rod Kawasaki Fury buy kawasaki fury 125 connecting rod set genuine parts online today! Kawasaki fury 125 accessories and parts head cover. shop our large selection of 2010 kawasaki fury 125/fury 125r (ax125aaf) oem parts, original equipment manufacturer. hot connecting rod connecting rod set for kaze 125/ kawasaki fury 125 part no. Kawasaki more motorcycle from kawasaki. Connecting Rod Kawasaki Fury.
From www.aliexpress.com
Racing Connecting Rods for Kawasaki ZX 10R 04 09 Conrods 106.63mm 400HP Connecting Rod Kawasaki Fury buy kawasaki fury 125 connecting rod set genuine parts online today! hot connecting rod connecting rod set for kaze 125/ kawasaki fury 125 part no. shop our large selection of 2010 kawasaki fury 125/fury 125r (ax125aaf) oem parts, original equipment manufacturer. Kawasaki fury 125 accessories and parts head cover. Kawasaki more motorcycle from kawasaki. Connecting Rod Kawasaki Fury.
From www.aliexpress.com
Connecting Rod Rods for Kawasaki Ninja ZX11 ZZ R1100 111mm ARP 2000 Connecting Rod Kawasaki Fury Kawasaki fury 125 accessories and parts head cover. buy kawasaki fury 125 connecting rod set genuine parts online today! shop our large selection of 2010 kawasaki fury 125/fury 125r (ax125aaf) oem parts, original equipment manufacturer. hot connecting rod connecting rod set for kaze 125/ kawasaki fury 125 part no. Kawasaki more motorcycle from kawasaki. Connecting Rod Kawasaki Fury.
From www.cmsnl.com
130445003 Setconnecting Rod Kawasaki buy the 130445003 at CMSNL Connecting Rod Kawasaki Fury Kawasaki fury 125 accessories and parts head cover. Kawasaki more motorcycle from kawasaki. hot connecting rod connecting rod set for kaze 125/ kawasaki fury 125 part no. shop our large selection of 2010 kawasaki fury 125/fury 125r (ax125aaf) oem parts, original equipment manufacturer. buy kawasaki fury 125 connecting rod set genuine parts online today! Connecting Rod Kawasaki Fury.
From www.cmsnl.com
130323008 Setconnecting Rod Kawasaki buy the 130323008 at CMSNL Connecting Rod Kawasaki Fury hot connecting rod connecting rod set for kaze 125/ kawasaki fury 125 part no. buy kawasaki fury 125 connecting rod set genuine parts online today! shop our large selection of 2010 kawasaki fury 125/fury 125r (ax125aaf) oem parts, original equipment manufacturer. Kawasaki more motorcycle from kawasaki. Kawasaki fury 125 accessories and parts head cover. Connecting Rod Kawasaki Fury.
From www.cmsnl.com
130445018 Setconnecting Rod Kawasaki buy the 130445018 at CMSNL Connecting Rod Kawasaki Fury buy kawasaki fury 125 connecting rod set genuine parts online today! shop our large selection of 2010 kawasaki fury 125/fury 125r (ax125aaf) oem parts, original equipment manufacturer. hot connecting rod connecting rod set for kaze 125/ kawasaki fury 125 part no. Kawasaki fury 125 accessories and parts head cover. Kawasaki more motorcycle from kawasaki. Connecting Rod Kawasaki Fury.
From www.lazada.com.ph
CONNECTING ROD FURY 125 Lazada PH Connecting Rod Kawasaki Fury Kawasaki fury 125 accessories and parts head cover. hot connecting rod connecting rod set for kaze 125/ kawasaki fury 125 part no. Kawasaki more motorcycle from kawasaki. shop our large selection of 2010 kawasaki fury 125/fury 125r (ax125aaf) oem parts, original equipment manufacturer. buy kawasaki fury 125 connecting rod set genuine parts online today! Connecting Rod Kawasaki Fury.
From www.lazada.com.ph
FURY CONNECTING ROD KIT ORIGINAL Lazada PH Connecting Rod Kawasaki Fury hot connecting rod connecting rod set for kaze 125/ kawasaki fury 125 part no. shop our large selection of 2010 kawasaki fury 125/fury 125r (ax125aaf) oem parts, original equipment manufacturer. buy kawasaki fury 125 connecting rod set genuine parts online today! Kawasaki fury 125 accessories and parts head cover. Kawasaki more motorcycle from kawasaki. Connecting Rod Kawasaki Fury.
From www.lazada.com.ph
CONNECTING ROD KAWASAKI FURY ORIGINAL Lazada PH Connecting Rod Kawasaki Fury hot connecting rod connecting rod set for kaze 125/ kawasaki fury 125 part no. buy kawasaki fury 125 connecting rod set genuine parts online today! shop our large selection of 2010 kawasaki fury 125/fury 125r (ax125aaf) oem parts, original equipment manufacturer. Kawasaki more motorcycle from kawasaki. Kawasaki fury 125 accessories and parts head cover. Connecting Rod Kawasaki Fury.
From www.lazada.com.ph
NHC Kawasaki Fury 125 Connecting Rod Kit Lazada PH Connecting Rod Kawasaki Fury hot connecting rod connecting rod set for kaze 125/ kawasaki fury 125 part no. Kawasaki more motorcycle from kawasaki. shop our large selection of 2010 kawasaki fury 125/fury 125r (ax125aaf) oem parts, original equipment manufacturer. buy kawasaki fury 125 connecting rod set genuine parts online today! Kawasaki fury 125 accessories and parts head cover. Connecting Rod Kawasaki Fury.
From www.cmsnl.com
130445056 Setconnecting Rod Kawasaki buy the 130445056 at CMSNL Connecting Rod Kawasaki Fury shop our large selection of 2010 kawasaki fury 125/fury 125r (ax125aaf) oem parts, original equipment manufacturer. Kawasaki fury 125 accessories and parts head cover. buy kawasaki fury 125 connecting rod set genuine parts online today! hot connecting rod connecting rod set for kaze 125/ kawasaki fury 125 part no. Kawasaki more motorcycle from kawasaki. Connecting Rod Kawasaki Fury.
From shopee.ph
Kawasaki Fury Connecting rod Shopee Philippines Connecting Rod Kawasaki Fury buy kawasaki fury 125 connecting rod set genuine parts online today! Kawasaki fury 125 accessories and parts head cover. hot connecting rod connecting rod set for kaze 125/ kawasaki fury 125 part no. Kawasaki more motorcycle from kawasaki. shop our large selection of 2010 kawasaki fury 125/fury 125r (ax125aaf) oem parts, original equipment manufacturer. Connecting Rod Kawasaki Fury.
From www.lazada.com.ph
Kawasaki genuine Connecting rod kit for (BARAKO 175)no.130320732 Connecting Rod Kawasaki Fury shop our large selection of 2010 kawasaki fury 125/fury 125r (ax125aaf) oem parts, original equipment manufacturer. hot connecting rod connecting rod set for kaze 125/ kawasaki fury 125 part no. buy kawasaki fury 125 connecting rod set genuine parts online today! Kawasaki fury 125 accessories and parts head cover. Kawasaki more motorcycle from kawasaki. Connecting Rod Kawasaki Fury.